蓄电池容量测试仪是由鼎升电力自主加工生产,如果您有蓄电池容量测试仪等相关方面技术问题,请咨询鼎升电力技术部,同时,我们可根据您对蓄电池容量测试仪的功能需求,定制开发,联系电话: 027-87875698
随着电力自动化的不断深入,变电站保护用的直流电源容量越来越大。过去简单地只采用滑线式变阻器放电检测电池容量的方法已不实用,因为滑线式变阻器的颥定电流越大就越笨重,现场携带不方便;有时滑线式变阻器的额定电流根本就达不到放电检测蓄电池容量的试验电流。蓄电池的容量测试可采用DLNZ-S蓄电池容量测试仪,蓄电池容量测试仪能够精确测量蓄电池两端电压和内阻。蓄电池容量测试仪是一款智能化、数字化的全中文操作的蓄电池容量测试仪,鼎升电力生产的蓄电池容量测试仪可让客户根据自身情况选择按用于通信行业蓄电池的内阻测试,电压测试,容量估算。下面介绍一种简易蓄电池容量放电回路供大家参考。
5-10A的滑线式变阻器一只、lkW电热丝( EH)若干根、闸刀若干个、导线。
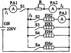
接线图见附图。

先将滑线式变阻器R调到最大值,打开所有电热丝的闸刀S2一Sn。合上S1,看主电流表PA1中的电流指示,然后陆续合上S2一Sn中的几只闸刀,以PA1指示的电流在5一10A范围内接近试验放电倍率的电流时为准,调节R直到电流表PA1的指示达到试验电流值(铅酸蓄电池组及阀控蓄电池组放电电流为蓄电池容量/10:镉镍电池组放电电流为蓄电池容量/5)。
随着放电的延续,不断地调节R,到PA2的指示值达到R的额定值时,再合上S2一Sn中的未合上的一把闸刀,调节R直到PA1的指示值达到试验电流值。如此调节直到放电结束。
对于低电压直流电源也采用同样的方法,只是电热丝、闸刀的数量要多一些。对于超大容量的蓄电池放电而无直流电流表指示总电流时,应在电热丝支路中串接PA3。这样总电流就等于n×I3+I2(n为合上的电热丝EH的回路数,I3是通过电热丝
的电流,I2是通过R的电流),调节方法同上。
若没有5-10A的滑线式变阻器,而只有小容量的滑线式变阻器时,则采用小功率的电热丝,使电热丝在额定电压下通过的电流在滑线式变阻器的额定电流范围内,检验和调节方法与前完全相同。
2239963269